非标机械设计的物质基础:材料选用与热处理工艺机械设计,本质上是将力学构思赋予特定物质形态的过程。材料的选择与后续的热处理等改性工艺,直接决定了零件的强度、硬度、...
焊件与结构系统在非标框架设计中的应用在非标机械设计中,钢架、机座、防护罩等框架类结构是设备的骨架,其设计工作量巨大。SolidWorks的“焊件”与“结构系统”...
有限元分析(FEA)在非标结构设计中的应用边界在非标机械设计中,结构强度与刚度往往是决定设备可靠性与使用寿命的核心因素。有限元分析(FEA)作为强大的数值仿真工...
非标机械设计中的公差分析与装配体验证在非标机械设计中,公差分析是连接虚拟设计与物理现实的关键桥梁。完美的三维模型不等于可顺利装配与运行的设备,零件加工误差、装配...
非标机械设计中的模块化设计思路与CAD/SW应用策略在非标机械设计领域,模块化设计理念正逐渐成为提升设计效率与质量的关键途径。与标准化产品不同,非标设备需要针对...
从SolidWorks模型到生产准备的关键步骤完成三维建模与工程图绘制,并非设计的终点。将设计数据顺利传递至加工制造环节,还需完成一系列关键的准备与输出工作。首...
SolidWorks大型装配体设计与管理技巧处理成百上千个零件的大型装配体,对软件性能和设计管理都是巨大挑战。合理的策略与技巧能有效提升大型装配体操作的流畅度与...
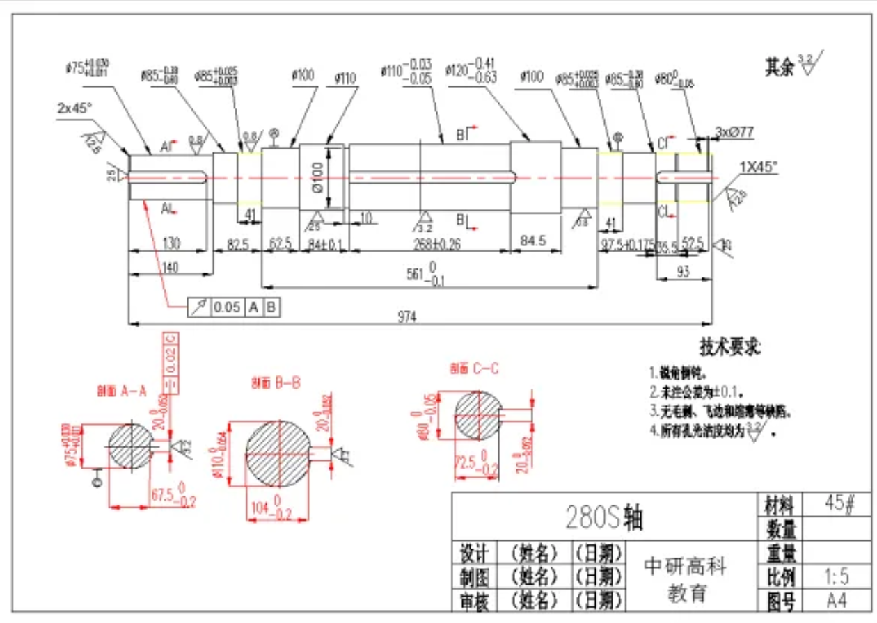
SolidWorks工程图深度标注与注释要点由三维模型生成二维工程图是设计交付的关键环节。深度且规范的标注与注释,是确保图纸可制造性、可检验性的核心。尺寸标注需...
SolidWorks三维建模策略解析在SolidWorks中进行三维建模,效率与质量并重。掌握建模策略,能事半功倍,并为后续的修改、分析与出图打下良好基础。特征...
SolidWorks作为主流的机械设计软件,其核心价值在于将设计思想、准确地转化为可用于指导生产的工程图样。规范化的制图流程是保障设计质量与沟通效率的基石。首先...
非标设备常用材料的选择逻辑材料选择是非标机械设计中的基础决策,它影响着零件的性能、寿命、重量、成本和可制造性。选择时需系统性地权衡多方面因素,而非凭感觉或单一指...
公差与配合的选用原则——保证装配精度的关键公差与配合是机械工程的语言之一,它定义了零件尺寸的允许变动量及其配合关系。在非标机械设计中,合理选用公差与配合,是确保...
零件图设计核心——结构合理性与工艺性考量零件图是指导单个零件生产制造的依据。在非标设计中,零件图不仅需要准确表达形状与尺寸,更深层的价值在于体现设计的结构合理性...
设计草图——非标设计师的思维语言与沟通桥梁在非标机械设计中,设计草图绝非随意的涂鸦,而是设计师思维过程的直观外化,是概念构思阶段不可或缺的工具。它比文字更形象,...
非标机械设计概述——从需求到概念的转化非标机械设计,顾名思义,是指针对特定需求、非标准化的机械设备进行的设计工作。它与标准化、批量化的产品设计不同,每一套方案都...
伺服与步进电机的特性对比与选型原则伺服电机和步进电机是自动化设备中两种主要的运动控制执行元件,理解它们的核心差异是正确选型的基础。伺服电机基于闭环控制原理工作。...
特殊表达方法在复杂非标设备中的应用非标机械设备常包含复杂结构和不规则形体,传统的三视图表达难以清晰呈现。此时,需要借助多种特殊表达方法,实现技术信息的有效传递。...
零件图绘制中的细节处理与技术考量零件图是指导单个零件制造与检验的直接依据。在非标机械设计中,零件图不仅需要准确表达几何形状与尺寸,还需包含完整的制造与检验信息。...
机械制图国家标准在非标设计中的应用要点我国现行的机械制图国家标准体系为图纸的规范化提供了指导。在非标机械设计中,正确理解并应用这些标准是确保图纸技术语言统一、避...
非标机械设计图纸的表达特点与核心要求非标机械图纸与标准化产品图纸存在本质区别,其核心在于针对特定需求提供定制化解决方案。这类图纸必须兼顾设计的创新性与生产的可行...
精通SCL高级语言在复杂逻辑与计算中的应用除了传统的梯形图(LAD),S7-1200/1500支持结构化控制语言(SCL),这是一种类似于PASCAL的高级文本...
数字化转换——三维模型到二维图像的计算机生成流程在数字时代,三维转二维的过程已高度自动化与智能化,其核心是基于计算机图形学(CG)的一系列算法与管线渲染。这程从...
投影几何——工程与设计中的三维信息二维化方法在工程、制造与设计领域,将三维物体的形状、尺寸及结构关系,无歧义地转化为一系列二维图形,是进行技术交流、施工与生产的...
几何公差是控制零件形状、方向、位置和跳动误差的重要手段,对于保证精密机械的功能和性能至关重要。相比尺寸公差,几何公差能够更地控制零件的几何特征。几何公差的类型与...
特别提醒:本页面所展现的公司、产品及其它相关信息,均由用户自行发布。
购买相关产品时务必先行确认商家资质、产品质量以及比较产品价格,慎重作出个人的独立判断,谨防欺诈行为。